제품
애플리케이션
참조
품질
지원하다
소식
회사 소개
Login

VGA

Design Semiware into your application circuit

요약 응용 회로도 서류 다른

요약

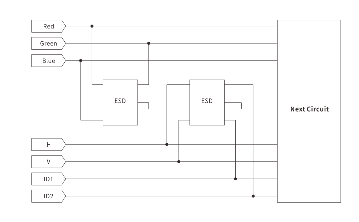
The VGA (Video Graphics Array) interface is susceptible to electrostatic discharge (ESD) in actual applications, especially when plugging and unplugging cables or touching ports. If not protected, ESD may damage the VGA interface chip or other electronic components, causing system instability or failure. Therefore, it is necessary to provide electrostatic protection for the VGA interface.

Test Level:Contact-8kV Air-15kV

응용 회로도

귀하의 시스템에 적합한 제품 및 참조 설계를 찾아보세요

VGA

기타 관련

HD Analog Video DVI CAN-Surge Type-C USB2.0-Dual RS232-ESD RS232-ESD/Surge HDMI eSATA USB3.0 USB2.0