제품
과도 억제 다이오드
정전기 방지 다이오드
반도체 방전관
LED 개방 회로 보호기
세라믹 가스 방전관
산화 아연 바리스터
사이리스터
전계 효과 트랜지스터
다이오드
자동차 전자
과전류 보호 장치
과도 억제 다이오드
자동차 전장용
만능인
높은 신뢰성
큰 전류
정전기 방지 다이오드
정전기 방지 어레이
다층 압력 감지 구조
자동차 전장용
중합체
반도체 방전관
반도체 방전관
자동차 전장용
프로그래밍 가능
높은 신뢰성
LED 개방 회로 보호기
자동차용
LED 개방 회로 보호기
세라믹 가스 방전관
세라믹 가스 방전관
자동차용
유리 가스 방전관
산화 아연 바리스터
산화 아연 바리스터
열 보호 유형
복합 배리스터
자동차용 바리스터
사이리스터
단방향 사이리스터
민감한 트리거
양방향 사이리스터
4사분면 사이리스터
전계 효과 트랜지스터
소신호 시리즈
고전력 시리즈
자동차 전장용
트랜지스터
다이오드
정류기 브리지
쇼트키 다이오드
스위칭 다이오드
빠른 회복 튜브
정류다이오드
제너다이오드
자동차 전자
삼극관
스위칭 다이오드
빠른 회복 튜브
정류다이오드
쇼트키 다이오드
제너다이오드
과전류 보호 장치
서미스터
재설정 가능한 퓨즈
애플리케이션
자동차 전자
회로망
보안
가전제품
전원 공급 장치
의료
산업 제어
조명
가전제품
자동차 전자
PTC 히터
운전 보조 시스템
실내 조명
헤드 조명
AC 충전기
에너지 저장 시스템
배터리 모듈
온보드 충전기
차체 제어 모듈
차량 어댑터
미디어 허브
DC 충전기
회로망
셀룰러 기지국
소형 기지국
RRU
BBU
실외 AP
PBX
xDSL
셋톱박스
고급 안테나 시스템
통신 전원 공급 장치
보안
카메라 팬/틸트 헤드
시각적 접근 제어
디지털 비디오 레코더
네트워크 비디오 레코더
자동문
네트워크 카메라
가전제품
블루투스 헤드셋
스마트워치
전자담배
휴대폰
태블릿
스마트 도어락
랩탑
드론
전기 자전거
VR 안경
POS판매단말기
라벨 프린터
파워뱅크
이륜차 위치 결정 장치
배터리 보호
PD 고속 충전
전원 공급 장치
충전기
에너지 저장 시스템
전원 모듈
AC220V 충전소
파워뱅크
2륜차 에너지 저장
스트링 인버터
무정전 전원 공급 장치
태양광 인버터
배터리 보호
PD 고속 충전
의료
혈당 측정기
이마 온도계
방사선 사진
전자 건강 저울
혈압계
제세동기
초음파 스캐너
제세동기
산업 제어
엘리베이터 호출판
스마트 미터
전력선 캐리어
감지기
스마트 검침 시스템
PLC
자동문
직류 모터
잔류 전류 장치
조명
태양광 가로등
스마트 데스크 램프
조경 조명
가로등 컨트롤러
교통 신호등
가전제품
스마트 스피커
커피 머신
세탁기
스마트 TV
로봇 진공 청소기
접시 닦는 사람
온수기
참조
자동차 전자 장치
신호
의사소통
데이터 교환
교류 전원
직류 전원 공급 장치
자동차 전자 장치
DC48V
Buttons/Switches
LIN
DC12V-P5a
DC12V-P5b
DC24V-P5a
CAN
신호
Touch Screen
SD Card
SIM
eSATA
NFC
MIC
Audio
GPS
의사소통
SLIC
RJ11
POE-10G-6KV
LNB-3KA
LNB-5KA
POE-1G-4KV
데이터 교환
HD Analog Video
DVI
CAN-Surge
Type-C
VGA
USB2.0-Dual
RS232-ESD
RS232-ESD/Surge
HDMI
eSATA
USB3.0
USB2.0
교류 전원
AC220V-5KA
AC110V-5KA
AC220V-3KA
AC110V-3KA
직류 전원 공급 장치
DC5V
DC48V-2KA
DC48V-3KA
DC48V-20KA
DC110V-6KV
DC12V-6KV
DC9V
DC110V-4KV
DC60V-4KV
품질
지원하다
샘플 요청
기술 지원
EMC 서비스
기술 문서
300개 이상의 인터페이스 보호 솔루션은 자동차 전자 장치, 산업 제어, 소비자 전자 제품 및 기타 산업 분야를 포괄합니다.
소식
기술 문서
제품 소식
회사 소식
Blog
회로 보호 솔루션 분야에서 탁월한 종합 서비스 제공업체가 되는 것을 목표로 합니다.
회사 소개
회사 소개
함께해요
문의하기
회로 보호 솔루션 분야에서 탁월한 종합 서비스 제공업체가 되는 것을 목표로 합니다.
제품 문의
상호 참조
Language
▼
简体中文
English
한국어
Русский
Tiếng Việt
Login
Home
Products
Product information
과도 억제 다이오드
정전기 방지 다이오드
반도체 방전관
LED 개방 회로 보호기
세라믹 가스 방전관
산화 아연 바리스터
사이리스터
전계 효과 트랜지스터
다이오드
자동차 전자
과전류 보호 장치
Application
Industry directory
자동차 전자
회로망
보안
가전제품
전원 공급 장치
의료
산업 제어
조명
가전제품
Reference Designs
Reference Designs directory
자동차 전자 장치
신호
의사소통
데이터 교환
교류 전원
직류 전원 공급 장치
Quality and Resources
Support
Sample Request
Technical Support
EMC Services
Technical Documents
News & Events
Technical Articles
New Product Information
Company news
Blog
About Us
Company Information
Contact Us
简体中文
DC12V-6KV
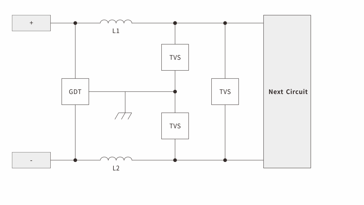
Surge protection scheme
요약
응용 회로도
서류
다른
요약
Test Level:1.2/50μs-8/20μs CM 6kV-500A DM 4kV-2kA
응용 회로도
귀하의 시스템에 적합한 제품 및 참조 설계를 찾아보세요
DC12V-6KV
GDT
TVS
TVS
TVS
제품
참조 디자인
SG3D05B230-Gas Discharge Tube
230V,5KA,5.0x5.0x7.5mm
SG3D05B230B-Gas Discharge Tube
230V,5KA,5.0x5.0x7.5mm
제품
참조 디자인
SVB60B36-TVS Diode
36V,40~44.2V,600W,SMB
제품
참조 디자인
SVB60B36-TVS Diode
36V,40~44.2V,600W,SMB
제품
참조 디자인
SVB60B36-TVS Diode
36V,40~44.2V,600W,SMB
기타 관련
DC5V
DC48V-2KA
DC48V-3KA
DC48V-20KA
DC110V-6KV
DC9V
DC110V-4KV
DC60V-4KV
당사는 쿠키를 사용합니다. 당사 웹사이트를 계속 탐색하시면 쿠키 사용에 동의하시는 것으로 간주됩니다.
동의하다