제품
애플리케이션
참조
품질
지원하다
소식
회사 소개
Login

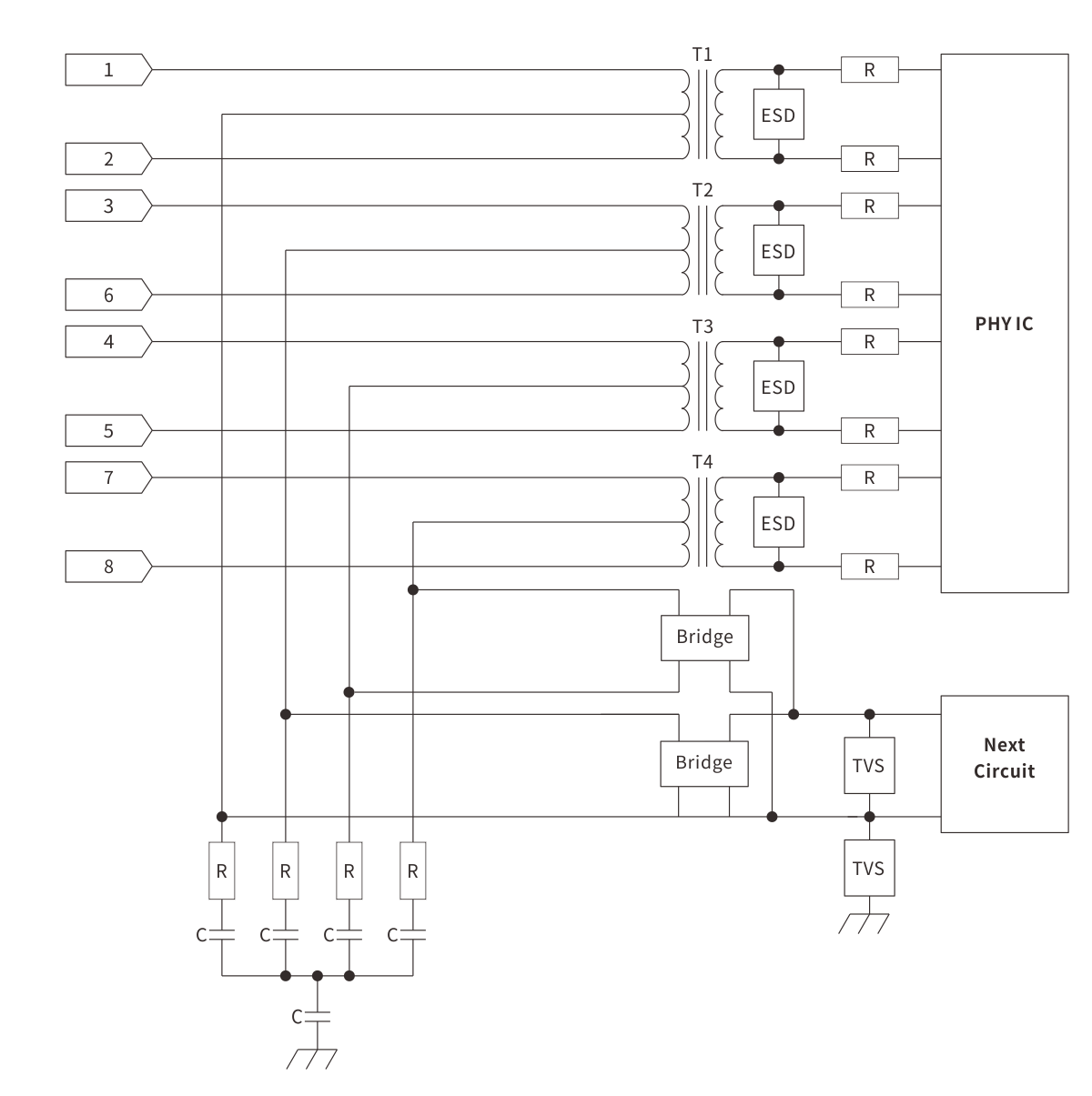
POE-1G-4KV

Surge and Electrostatic protection scheme

요약 응용 회로도 서류 다른

요약

POE stands for Power over Ethernet. It is a technology that allows electrical power to be transmitted over Ethernet cables alongside data. Traditionally, devices required separate power lines for electricity, but POE simplifies installation and management by reducing the number of cables and complexity.

Test Level:
IEC61000-4-5 10/700μs-5/320μs CM/DM 4kV-100A
IEC61000-4-2 Contact-30KV Air-30KV

응용 회로도

귀하의 시스템에 적합한 제품 및 참조 설계를 찾아보세요

POE-1G-4KV

기타 관련

SLIC RJ11 POE-10G-6KV LNB-3KA LNB-5KA