제품
애플리케이션
참조
품질
지원하다
소식
회사 소개
Login

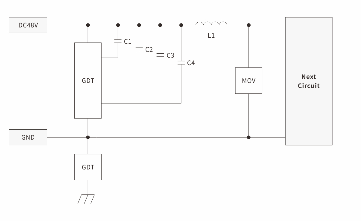
DC48V-20KA

Build Semiware into your application circuit

요약 응용 회로도 서류 다른

요약

48V DC power supply systems are widely used in communication equipment, electric vehicles, industrial control, charging piles, etc. Its operating voltage is higher than the common 12V/24V system, so it has higher voltage stress and energy tolerance requirements when encountering surges.

Test Level:
8/20μs CM/DM 20KA

응용 회로도

귀하의 시스템에 적합한 제품 및 참조 설계를 찾아보세요

DC48V-20KA

기타 관련

DC5V DC48V-2KA DC48V-3KA DC110V-6KV DC12V-6KV DC9V DC110V-4KV DC60V-4KV